TX4101是一款开关降压型、同步整流DC-DC转换芯片
输入电压范围从2.5-5.5V。适合于单节电池驱动的应用。
100% 负载循环能力延长电池寿命,没有负载时的静止电流是 200uA,关闭时将降到 <1uA 以下。

内部同步开关是可以做到提高效率而不需要外部的肖特基二极管。
在 1.0MHz/1.4 MHz 的开关频率允许使用微小的、 低姿态的电感器和陶瓷电容,从而适用于小体积的解决方案。
芯片采用SOT23-5封装。

TX4101是一款开关降压型、同步整流DC-DC转换芯片
输入电压:2.5 - 5.5V
输出电压:0.6 - 5.5V
输出电流:700mA
转换效率:95%
固定电压工作频率:1MHz
ADJ电压工作频率:1.4MHz
自动模式转换:PWM/PFM
输出短路保护
TX4101 和 TX4103 是 PIN 对 PIN 的
产品封装:SOT23-5

 

数码相机、MP3
掌上电脑、IPAD
无线电话、DSL宽带调解器
便携式多媒体

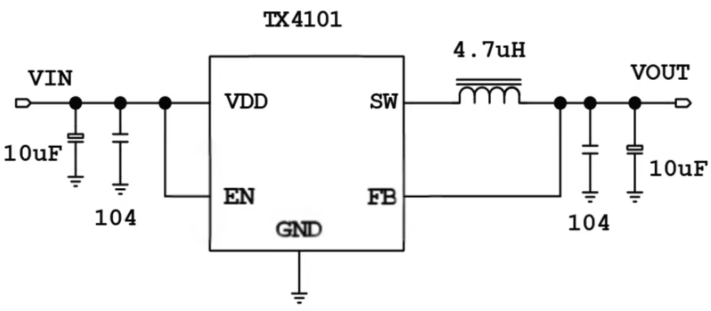
TX4101 固定电压输出原理图:



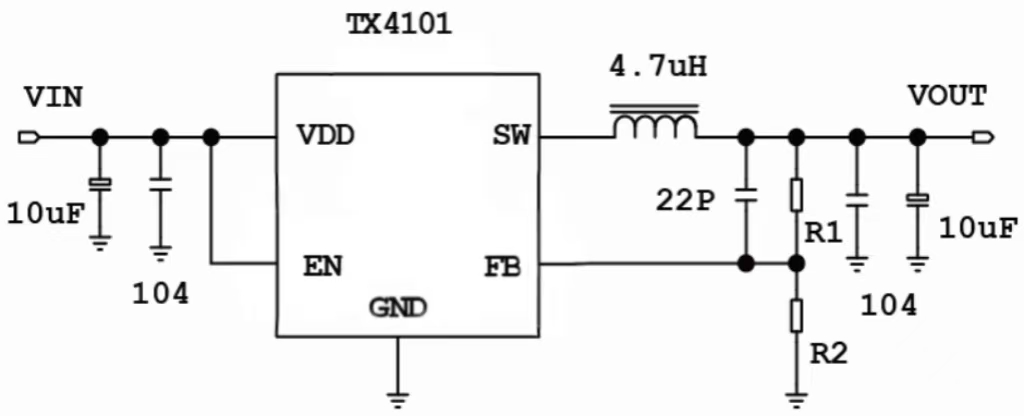
TX4101 ADJ电压输出原理图:



TX4101 DEMO板 PCB




TX4101 输出电压计算器: